Шестерня 102-46А
- Главная »
- Грузоподъемное оборудование »
- Тали электрические »
- Запчасти для тали (Россия) »
- Механизм передвижения
Большинство позиций в НАЛИЧИИ!!! Цена актуальна! Отправим ТК в любой регион РФ и СНГ.
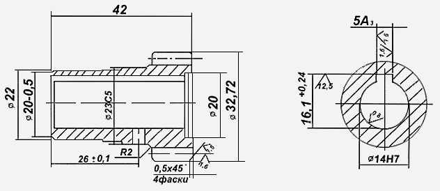
Шестерня V передвижения 102-46А составляет часть механизма передвижения талей ТЭ. Она монтируется на вал для приведения в движение сдвоенной шестерни.
Деталь выполняется из прочного сплава металла с последующей термообработкой. Такой способ производства обеспечивает прочность и надежность изделия в работе. Шестерня устойчива к различным типам физической нагрузки, а так же обладает влаго и термостойкостью.
Тем не менее шестерня это та часть механизма, которая подвергается наиболее сильному износу, и при наличии дефектов подлежит обязательной замене.
Использование на производстве тали с поврежденной шестерней может быть очень опасно и в итоге принесет большие финансовые потери. Рекомендуем своевременно проводить осмотр и техническое обслуживание электрических талей ТЭ. Большинство деталей механизма передвижения подлежат замене.
Скорость передвижения 20 м/мин.
Габаритные и установочные размеры

Товары в категории
-
ФотоНаименование товараДополнительная информацияЦена
-
Шестерня 102-46А
Шестерня (V передвижения) 102-46А. Скорость передвижения 20 м/мин.2 850 a
Шестерня 102-46А - как правильно выбрать и купить по нужной Вам цене ▾
В рабочее время наши специалисты готовы оказать компетентную помощь в подборе интересующей вас продукции. Для этого вы можете позвонить по любому из указанных телефонов. Также вы можете написать на нашу электронную почту или воспользоваться формой обратной связи ниже по ссылке.

