Электромагнит МИС 2100, 2200
У магнитов МИС 2100 и МИС 2200 много сходства в технических характеристиках, но различия существенны.
Область применения магнитов
МИС 2100 и МИС 2200 – однофазные магниты, работающие от сети. Изделия нашли свое применение как в промышленной сфере, так и в быту. Электромагнит МИС 2100 380В и МИС 2200 являются составляющими станков, подъемных механизмов, тормозных систем и тельферов. С их помощью осуществляется дистанционное управление клапанами, задвижками и другими частями механизмов.
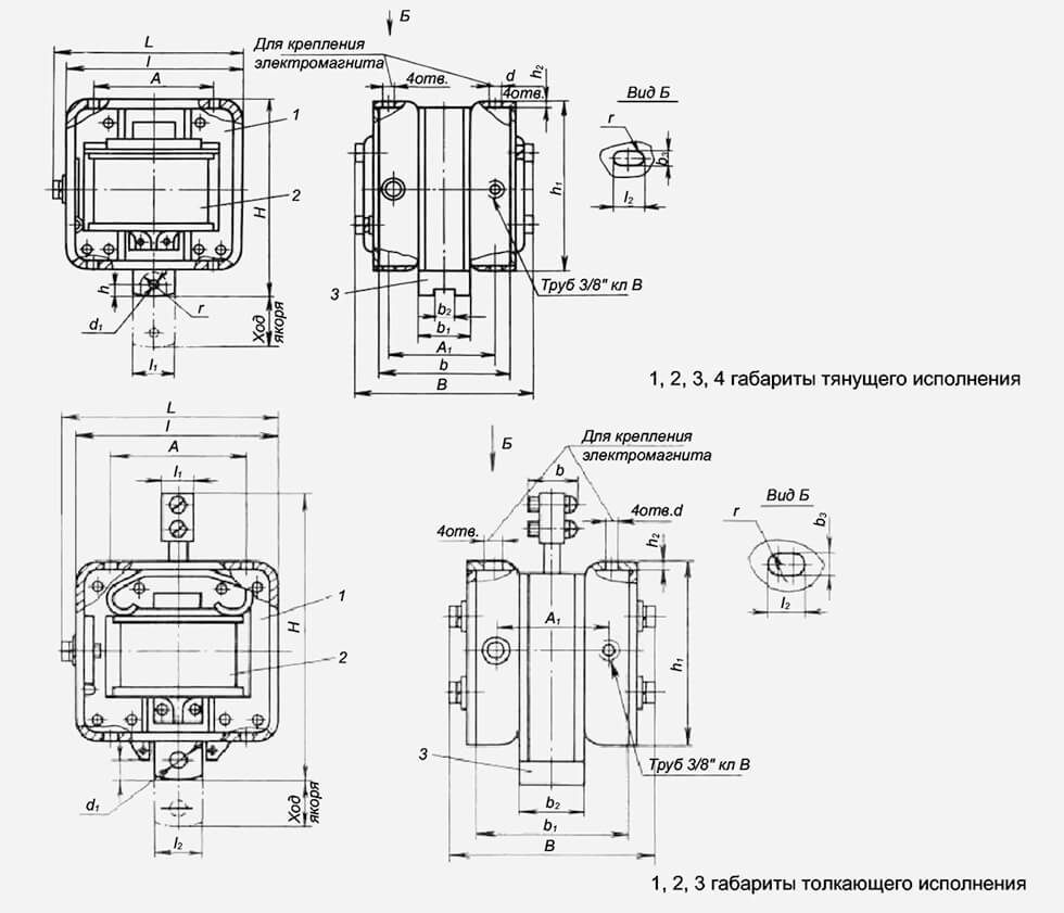
Описание изделий МИС 2100, 2200
Данные электромагниты состоят из таких частей:

- Якорь как подвижный элемент.
- Катушка для возбуждения электромагнитного поля.
- Скоба.
- Ярмо – неподвижная часть изделия.
Суть работы электромагнитов МИС 2100 и МИС 2200 заключается в притяжении подвижного элемента (якоря) к неподвижному (ярму). Происходит это под действием электромагнитного поля, создаваемого электрическим током, проходящего по катушке.
Электромагнит МИС 2200 и МИС 2100 имеют следующие характерные особенности:
- Исполнение подвижного элемента (якоря). Якорь у МИС 2100 имеет тянущее исполнение, а у МИС 2200 – толкающее.
- МИС-2200 ЕУ3 работает при большем напряжении, чем МИС 2100 ЕУЗ (220В и 380 В).
- Пусковой и рабочий ток, приводящий в работу оба магнита, у каждого разный.
Особенности эксплуатации МИС 2100, 2200
Перед подключением к сети электромагнит МИС 2200 и МИС 2100 следует проверить на наличие всех его составляющих. Важно помнить – наличие якоря является обязательным, иначе катушка МИС 2100 и 2200 придет в негодность. Несмотря на то, что катушка является легко заменимым элементом, следует внимательно произвести осмотр изделия до начала работы, чтобы избежать поломок в эксплуатации.
Температурный режим электромагнитов составляет от плюс 40 до минус 40. Использовать магниты рекомендовано в помещениях с минимальной степенью запыленности, без примеси агрессивных газов, разрушающих металл. Степень взрывоопасности должна быть минимальной. Допускается около 1200 циклов в час. Использовать магнит МИС 2100 и МИС 2200 необходимо в вертикальном положении.
Условные обозначения электромагнитов МИС 2100, 2200
МИС в маркировке изделия определяют его серию.
Вид обозначения: МИС 2200ХЗ
- 2 – размер магнитопровода;
- 1 или 2 – исполнение по способу воздействия на механизм (1-тянущее, 2- толкающее соответственно);
- 0 – режим работы;
- 0 – вывод катушки.
Цифры в конце маркировки указывают на климатическое исполнение и категорию размещения ГОСТ. Наличие буквы Е в аббревиатуре говорит о том, что в таком изделии установлена катушка с жёстким выводом.
Технические характеристики
Тяговые усилия
| МИС 2100, МИС 2200 | Тяговое усилие, Н, при ходе якоря, мм | ||||||
| 30 | 25 | 20 | 15 | 10 | 5 | 1 | |
| - | - | 21 | 22 | 26 | 35 | 51 | |
Величина мощности и тока при пуске и в рабочем состоянии
|
Габарит электромагнита |
Режим работы (ПВ), % |
Напряжение, В |
Ток, А |
Мощность, Вт |
||
|
пусковой |
рабочий |
пусковая |
рабочая |
|||
| 2 | 100, 40 | 110 | - | - | 500 | 14 |
| 127 | 5,2 | 0,35 | ||||
| 220 | 2,9 | 0,25 | ||||
| 380 | 1,8 | 0,05 | ||||
| 10 | 110 | - | - | 770 | 26 | |
| 127 | 8,2 | 1,1 | ||||
| 220 | 5,2 | 0,6 | ||||
| 380 | 2,9 | 0,35 | ||||
-
Наименование товараДополнительная информацияЦена
-
МИС-2100 380В
Эл. магнит тянущий, катушка управления 380 Вольт -
МИС-2100 220В
Эл. магнит тянущий, катушка управления 220 Вольт -
МИС-2100 127В
Эл. магнит тянущий, катушка управления 127 Вольт -
МИС-2100 110В
Эл. магнит тянущий, катушка управления 110 Вольт -
МИС-2200 380В
Эл. магнит толкающий, катушка управления 380 Вольт -
МИС-2200 220В
Эл. магнит толкающий, катушка управления 220 Вольт -
МИС-2200 127В
Эл. магнит толкающий, катушка управления 127 Вольт -
МИС-2200 110В
Эл. магнит толкающий, катушка управления 110 Вольт -
Катушка к МИС-2100, 2200 380В
Напряжение катушки 380 Вольт, подходит к электромагниту 2-й величины. -
Катушка к МИС-2100, 2200 220В
Напряжение катушки 220 Вольт, подходит к электромагниту 2-й величины. -
Катушка к МИС-2100, 2200 127В
Напряжение катушки 127 Вольт, подходит к электромагниту 2-й величины. -
Катушка к МИС-2100, 2200 110В
Напряжение катушки 110 Вольт, подходит к электромагниту 2-й величины.
Магниты МИС 2100, 2200 - как правильно выбрать и купить по нужной Вам цене ▾
В рабочее время наши специалисты готовы оказать компетентную помощь в подборе интересующей вас продукции. Для этого вы можете позвонить по любому из указанных телефонов. Также вы можете написать на нашу электронную почту или воспользоваться формой обратной связи ниже по ссылке.

